The Infusion Series Platinum Edition line of brewing equipment offers all the same great brewing features as the standard Infusion Series, with the addition of an intuitive 4.3″ touch screen. Visually Intuitive Programming simplifies operation and programming. SmartWAVE sprayhead technology creates an industry best uniformity of extraction for exceptionally smooth coffee that will entice the consumer and provide a memorable beverage experience. The SmartWAVE feature also provides a timed air press out at the end of the brew cycle, helping to remove residual water from the sprayhead, which reduces lime build-up, keeps brewing quality consistent, and ultimately extends the life of the equipment. ICB brewers deliver the flexibility of brewing coffee into a wide range of Thermal Servers.
ICB-DV Tall Features
This Tall Infusion Coffee Brewer is dual voltage adaptable. It can operate at 120V/15 amp or 120/208-240V/20 amp for higher coffee brewing output. The energy-saver mode reduces tank temperature during idle periods.
- SmartWAVE sprayhead technology provides enhanced uniformity of extraction and lime scale reduction.
- BUNN Infusion Series technology allows for multiple recipes from one footprint: 4.3″ Color Touchscreen aides in customizing recipes, brewing options, and control.
- Electronic funnel lock prevents removal of the brew funnel until drip-through is complete.
- Brew counter keeps track of how many batches are brewed.
- Exclusive Peak Extraction Sprayhead is multi-directional with a 17-hole design to ensure ultimate uniformity of extraction.
- USB programming for uploading and downloading recipes and software updates, all in less than a minute.
- Pre-infusion and pulse brew for maximum flavor extraction. Cold-brew lockout & digital temperature control further ensure top-notch brewing.
- Brews into 2.5 to 3.8L (84 to 128 oz) airpots and 3.8 to 5.7L (1 to 1.5 gallon) baseless ThermoFresh servers.
*server not included but can be purchased here.
About The Brand
Bunn is a well-recognized brand in the coffee industry, and most abundant in your local grocery stores. Their grinders are precise and easy to use, even for the average consumer who grinds their own coffee on a shopping trip with children in tow. Their assortment of batch brew coffee machines, commercial coffee grinders, and airpots, are well trusted for their delivery of high-quality in every cup.
Split
Â
| Warranty | 2yrPrts/1yrLabor/3yrCBA |
| Finish | Stainless Steel |
| Funnel Type | Stainless Steel |
| Electrical Configuration 1 | 120V 1700W 14.0 amps 1~ 60 Hz 2 wire |
| Electrical Configuration 2 | 120/240V 50W  amps 1~ 60 Hz 3 wire |
| Electrical Configuration 3 | 120/208V 2900W 13.8 amps 1~ 60 Hz 3 wire |
| Plug Type | NEMA 5-15P |
| Cord Attached | Yes |
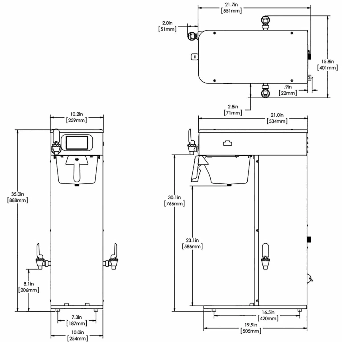
| Height | 35.0Â in. |
| Width | 10.2 in. |
| Depth | 22.1 in. |
| Net Weight | 60.7Â lbs. |
| Carafe/Server | Accepts 2.5 to 3.8L airpots & 3.8-5.7L baseless TF servers |
| Water Access | Plumbed |
| Min/Max Water Pressure | 20.0 psi / 90.0 psi |
| Flow Rate Required | 1.0 |
| Water Fitting | 3/8″ Male Flare Fitting |
| Hot Water Faucet | Supplied for custom installation |
| Certifications | UL Listed, NSF Certified |
| MPN | 53300.0101 |
Split
Spec Sheet
Preinstall
Operating Manual
Warranty
Terms & Conditions
Return Policy











Reviews
There are no reviews yet.